Expressió Gràfica

Nàutica i Transport Marítim / Tecnologies Marines / Enginyeria de Sistemes i Tecnologia Naval


Q2 / Curs 2025 - 2026


jm.delapuente@upc.edu



Indice:

- CARACTERISTICAS DE LA ASIGNATURA
- EL DIBUJO EN LA INGENIERÍA
- INTRODUCCIÓN AL MÓDULO 'B'
- PRIMERA PARTE




CARACTERÍSTICAS DE LA ASIGNATURA


INTRODUCCIÓN


Esta web está destinada a dar soporte y ofrecer materiales de trabajo a los alumnos matriculados en la asignaturas de 'Expressió Gràfica' de la FNB, correspondientes al 'Grado de Nautica y Transporte Marítimo' (asignatura 280602), al 'Grado en Tecnologías Marinas' (asignatura 280634) y al 'Grado en Ingeniería de Sistemas y Tecnología Naval' (asignatura 280634), respectivamente. La web tiene un carácter efímero y deja de publicarse al acabar el curso.

La asignatura 'Expressió Gràfica' se imparte fundamentalmente en el aula convencional de clase, en la parte denominada "Módulo A".

Las clases regulares del "Módulo A" presenciales (las importantes) se complementan con un módulo auxiliar no-presencial: los ejercicios propuestos en el "Módulo B".

Los ejercicios del "Módulo B" estarán documentados y expuestos en esta web, y podrán realizarse por los estudiantes en cualquier momento; necesitan para ello una conexión a Internet y un ordenador equipado con el software 'AutoCAD'. Las aulas informáticas de la FNB -equipadas con dicho software- permanecerán disponibles para los estudiantes en todas las horas de "aula abierta" (*) a lo largo del cuatrimestre.
Los estudiantes podrán asimismo "bajarse" una versión completa de 'AutoCAD para educación', en la web de Autodesk.

La asignatura 'Expressió Gràfica', por tanto, consta de dos módulos:

A) el módulo fundamental impartido en clase presencial por el profesor, y

B
) el módulo auxiliar y on-line que realiza el estudiante fuera del horario presencial, y que corresponde a los ejercicios de dibujo asistido por ordenador (CAD) de esta web.

El módulo A se cursa asistiendo a clase.

El módulo B se cursa por el estudiante aquí, en este espacio digital.


En resumen, la asignatura consta de:


A - Módulo presencial, el más importante, consiste en 4 horas semanales de clases presenciales.

* El curso es básicamente un taller de expresión gráfica o taller de dibujo técnico, común a todas las ingenierías, excepto en la parte de "Introducción al Dibujo Naval" y la parte de "Dibujo Cartográfico" .

 * El profesor entrega una lámina a cada estudiante en el inicio de cada clase. El estudiante devuelve la figura trabajada al final de cada clase. No hay plazos prefijados de entrega de láminas, ni dibujos aceptados realizados fuera del aula.

* Cada clase
implica la entrega del ejercicio que se ha realizado en el aula, en la lámina entregada por el profesor.

 * El estudiante entrega la lámina al profesor al final de cada clase
(en mano, o en el lugar del aula establecido). La entrega es unipersonal. No se aceptarán láminas de terceras personas "que entreguen por encargo de...".

* Cada lámina entregada deberá llevar el número asignado al estudiante en el inicio del curso.




B
- Módulo on-line (cursillo de dibujo asistido por ordenador): horario libre, fuera de las horas presenciales, accesible desde cualquier conexión a Internet. Se estima que el alumno debe dedicar unas 2 horas semanales de trabajo personal a este módulo.


Ver contenido de esta misma web, a partir de la "Introducción al módulo o cursillo B"
(comienzo: Marzo 2026)




(*) La expresión "aula abierta" se refiere a una disponibilidad especial de las aulas de ordenadores de la FNB: cuando las aulas no son usadas para impartir clases regulares por los profesores, los estudiantes tienen libre acceso a ellas, siempre dentro del horario que los servicios informáticos del centro haya establecido.









MATERIALES NECESARIOS PARA DIBUJAR ('Módulo A')

Ver material de dibujo necesario para el módulo
'A' aquí







PARTES Y APUNTES DEL CURSO

- Dibujo lineal y Croquización (1)
- Cortes y Secciones (2)
- Modelado 3D
- Acotación y Escala (3)
- Iniciación al dibujo naval (4)
- Dibujo cartográfico (5)




(1) Apuntes comentados de 'Croquización' aquí










IDIOMA DE LAS CLASES


catalán, castellano & inglés






EL DIBUJO EN LA INGENIERÍA



SÍNTESIS

El Dibujo Técnico o Expresión Gráfica en la Ingeniería incluye las técnicas de diseño y representación orientadas a la invención, modificación o reparación de máquinas, motores, mecanismos, piezas mecánicas, vehículos, etc.

El ingeniero o diseñador mecánico idea y materializa proyectos utilizando principalmente medios gráficos y visuales (manuales, electrónicos, virtuales...), prepara hojas de trabajo y diagramas detallados. El ingeniero es el responsable de las informaciones necesarias para la producción de los dispositivos mencionados en la realidad, además de ser quien garantiza la veracidad de la documentación asociada. El ingeniero elabora memorias técnicas (gráficas y textuales) y otras formas de documentación (en soporte físico, en soporte digital), de acuerdo con unas normas técnicas y stándares internacionales, ISO o DIN.





 


CONTEXTO TEÓRICO

Qué es el Dibujo Técnico en Ingeniería

http://en.wikipedia.org/wiki/Engineering_drawing

Why is 2D Important in Engineering?

Introductory Engineering Design



Links adicionales

https://en.wikipedia.org/wiki/3D_computer_graphics_software

https://en.wikipedia.org/wiki/Computer-aided_design


https://en.wikipedia.org/wiki/3D_modeling


https://en.wikipedia.org/wiki/Freeform_surface_modelling


https://en.wikipedia.org/wiki/Computer_graphics


https://en.wikipedia.org/wiki/Computer-generated_imagery


https://en.wikipedia.org/wiki/3D_printing






OBJETIVO
S DE LA ASIGNATURA

- Conocer y manipular el espacio tridimensional representado en documentos técnicos

- Distinguir y producir los dibujos técnicos utilizados en ingeniería.

- Conocer la terminología técnica usada en la expresión gráfica.

- Conocer y utilizar las herramientas disponibles en el ámbito de la expresión gráfica dentro de la ingeniería
.






INTRODUCCION AL MÓDULO O CURSILLO 'B'



El módulo o cursillo "B" comenzará en el mes de Marzo de 2026.

Se da por sentado que el alumno conoce la manera de entrar en su cuenta particular dentro de la red académica de la FNB, así como en la intranet 'Atenea' de la UPC. El alumno debe preocuparse de conocer, anotar y recordar sus coordenadas (ID's y Passwords) para ingresar en estos espacios digitales.

También se asume que el alumno posee conocimientos informáticos básicos (abrir y cerrar un programa, operaciones de gestión de ficheros -guardar, renombrar, borrar...-, manejo del sistema operativo, etc., etc.).

Para entrar en la intranet "Atenea" de la UPC hay que ir a http://atenea.upc.edu, e introducir el 'Nombre de Usuario' (ID) y la 'Contraseña' (Password).

El programa de CAD a utilizar será 'AutoCAD', que es el que está instalado en todos los ordenadores de las aulas informáticas de la FNB.




ÁMBITO DEL DESARROLLO DEL 'MÓDULO B' DE LA ASIGNATURA

- Las aulas informáticas de la FNB (1)

- El ordenador de cada estudiante (conectado a Internet) en su propio espacio de trabajo: en su domicilio, en una biblioteca, etc. (obviamente, con AutoCAD instalado) (2)


(1)


(2)


En resumen , hay tres 'espacios digitales' que se relacionarán con el Módulo B (cursillo CAD) de la asignatura, que son:

I) La intranet interna de la propia FNB, que permite acceder a un espacio de disco duro propio y seguro (volumen 'K'), y a una cuota de un número fijo de impresiones físicas en papel DIN A4 al mes (es una intranet utilizada en más asignaturas, no sólo en Expressió Gràfica). A efectos de este módulo, este espacio puede servir para guardar un backup personal de los dibujos de AutoCAD que vaya haciendo el estudiante a lo largo del cuatrimestre.

II) La intranet global de la UPC que se denomina 'Atenea', importante para esta asignatura, pues es en ella donde se sitúan las carpetas de recogida semanal de dibujos de AutoCAD. Cada estudiante dispondrá de una carpeta semanal virtual de entrega, cada semana, durante todo el cuatrimestre ('Atenea' se utiliza en más asignaturas, no sólo en Expressió Gràfica)

III) El espacio universal y libre de Internet, accesible desde cualquier ordenador conectado a la red, sin restricciones, donde se ubica esta página web de trabajo de la asignatura: http://www.catalonia.org/dibuix_fnb_E



 



(Módulo B)


PRIMERA PARTE



1. Apuntes, Web, Licencias del programa para estudiantes

Para seguir los trabajos sobre AutoCAD se emplearán los materiales que aparezcan on-line en esta misma web.

El programa AutoCAD dispone de numerosas ayudas internas propias.

Como es habitual en el software actual, el propio programa AutoCAD lleva unas ayudas on-line extensas y muy bien documentadas (tecla F1)

La empresa Autodesk, propietaria del programa AutoCAD suele conceder licencias gratuitas de AutoCAD a estudiantes de la UPC. Normalmente sólo hay que disponer de un email de la universidad y seguir el procedimiento de identificación, registro y validación para obtener -bajar- el programa (ver información en http://www.autodesk.com)



2. Funcionamiento del módulo B: autoaprendizaje


LO BÁSICO

Inicio del módulo B: Marzo 2026

La estructura del módulo online está pensada para que cada estudiante avance en su propio itinerario de aprendizaje, al ritmo que decida, con la ayuda de las explicaciones proporcionadas en el planteamiento de los ejercicios que se van publicando en esta web.

Se estima que el estudiante debe dedicar 2 horas de su tiempo de trabajo a este módulo o cursillo on-line de la asignatura (B): está diseñado como una secuencia de ejercicios que van aumentando en complejidad, de modo que el estudiante siga un itinerario de aprendizaje según la velocidad que él decida.

Ocasionalmente, a lo largo del curso, el profesor trasladará a los estudiantes desde el aula convencional a las aulas informáticas, e impartirá la clase ordinaria en las aulas informáticas, para aclarar o explicar algun ejercicio concreto de la secuencia de autoaprendizaje del Módulo B.



CARPETA SEMANAL

El profesor habilita cada semana una carpeta semanal virtual -dentro de 'Atenea'- para que cada estudiante vaya depositando en ella, según una nomenclatura convenida (ver punto 4), los ejercicios del Módulo B que realice esa semana concreta. La carpeta semanal se 'autocierra' automáticamente al acabar la semana, y se abre otra carpeta nueva en la semana consecutiva, con idéntico propósito: recoger los dibujos de AutoCAD que cada estudiante haya realizado esa semana.

Con esta estrategia pautada, el profesor, a lo largo del cuatrimestre, puede ir tutelando el trabajo regular on-line de los estudiantes en este Módulo B. Por ejemplo: el profesor podrá ver -comprobando el contenido de las sucesivas carpetas semanales de cada alumno- si un estudiante decide no hacer nada en las primeras semanas del curso y opta -imprudentemente- por hacer y entregar muchos ejercicios en las dos últimas semanas del curso. Obviamente, se desaconseja la última táctica.


RÉGIMEN DE TRABAJO

Cada carpeta semanal aceptará un número limitado de ficheros, y dicho número se reducirá progresivamente en las semanas finales, de modo que no será posible concentrar muchas entregas de dibujos en las últimas carpetas del cuatrimestre.

Por tanto, se recomienda a los estudiantes que cada semana depositen algunos dibujos de AutoCAD (dos, tres, cuatro, etc.), siguiendo el orden establecido en esta web, en la carpeta virtual personal correspondiente.


EVALUACION

El 'Módulo
B' se evalúa al final del cuatrimestre, como un complemento de la evaluación principal de la asignatura que corresponde al 'Módulo A'.

El 'Módulo B' tendrá un peso menor en la nota final, que indicará el profesor al explicar el sistema de evaluación del cuatrimestre.



3. Cómo nomenclar y guardar los ficheros digitales de trabajo a lo largo del curso, en la carpeta semanal:


DINÁMICA DEL CURSILLO

A medida que se vayan realizando ejercicios de AutoCAD, cada semana el alumno debe ir guardando y entregando los dibujos en archivos separados y etiquetándolos con numeración sucesiva (ver punto 4).

Cada semana aparecerá una carpeta de recogida on-line para alojar los dibujos de AutoCAD realizados por cada estudiante. La "CARPETA SEMANAL".

La carpeta semanal aparecerá en Atenea, bajo el nombre de "Carpeta_Recollida_de_Dibuixos_Semana_i" (donde 'i' es un número consecutivo de cada semana del cuatrimestre: 1, 2, 3, 4, 5, etc.) y permanecerá abierta durante toda la semana, es decir, las 24 h. del lunes, martes, miércoles, jueves, viernes, sábado y domingo.

Para entrar en la intranet Atenea de la UPC hay que ir a http://atenea.upc.edu, e introducir el 'Nombre de Usuario' (ID) y la 'Contraseña' (Password).

Al concluir cada semana (el domingo a las 24 h), la carpeta semanal de recogida quedará cerrada automáticamente mediante un 'timer' interno, por lo que al estudiante le será imposible depositar ningún dibujo en una carpeta 'caducada'. Aunque las carpetas "viejas" permanecerán visibles al alumno, estarán 'caducadas' en el sentido de que ya no aceptarán más dibujos; el estudiante deberá depositar dibujos (ficheros) en las siguientes que vayan apareciendo.

Los únicos ficheros que hay que copiar a la carpeta de recogida semanal son los acabados en 'dwg'. Cualquier otro fichero, como, por ejemplo, los acabados en 'bak' o en 'dwl' (si los hubiera), u otros, NO deben copiarse en la carpeta de recogida.

El alumno debe cerciorarse de que sólo copia a la carpeta de recogida ("Carpeta_Recollida_de_Dibuixos_Semana_i") los achivos con extensión 'dwg' que haya realizado en cada semana concreta. Para ver y conocer la extensión (el final del nombre) de los archivos hay que tener configurados los parámetros convenientes en el sistema operativo.

(Para ver y conocer la extensión -el final del nombre- de los archivos hay que tener configurados los parámetros convenientes en el sistema operativo / o bien clicar el botón derecho sobre él, en 'Propiedades' y examinar el 'Tipo de archivo' de que se trata... ha de ser 'dwg')


BACKUPS

Es muy conveniente que el alumno guarde una copia de seguridad (backup) de sus archivos de CAD en un soporte suyo personal propio (¿pen-drive USB?...), o bien -si trabaja en la FNB en horas de 'aula abierta'-que los almacene en su espacio personal de disco de la intranet de la FNB (al que tiene derecho); o bien, alternativamente, que use plataformas como 'Dropbox', 'Google Drive', etc.



4
. Nombre, Número y Formato de cada archivo o fichero de dibujo (en AutoCAD)


NOMENCLATURA

El nombre de cada archivo o fichero de dibujo del estudiante, a entregar, debe contener:

- Primero: todos los caracteres de su primer apellido, empezando por Mayúscula (sin acentos, y sin espacios blancos)

- Segundo: un guión bajo (underscore)

- Tercero: una numeración de dos digitos ascendente

- La extensión final 'dwg' no hace falta escribirla: la pone el propio programa AutoCAD


Por ejemplo, la alumna 'Ana Puigmartí Bolivar' debería nombrar sus sucesivos ejercicios de AutoCAD así:

Puigmarti_01.dwg (se ha suprimido el acento; la parte'dwg' la ha puesto automáticamente el programa, al salvar)
Puigmarti_02.dwg
Puigmarti_03.dwg
Puigmarti_04.dwg
Puigmarti_05.dwg
....
Etc.

Por ejemplo, el alumno 'Aniol de la Riva Samper' (primer apellido compuesto) debería nombrar sus sucesivos ejercicios de AutoCAD así:

Delariva_01.dwg (se han suprimido los espacios blancos; se ha puesto una mayúscula, aunque el apellido empiece por minúscula)
Delariva_02.dwg
Delariva_03.dwg
Delariva_04.dwg
Delariva_05.dwg
....
Etc.

Es poco probable que un archivo dado, de un estudiante, mantenga la asociación "numeración-contenido" igual a la del resto de sus compañeros. Por tanto, es factible que el contenido del archivo 08 de la alumna Puigmartí no coincida con el del archivo 08 del alumno de la Riva, ni con el archivo 08 del alumno Martínez... Es importante que cada alumno numere consecutivamente, en orden ascendente, como se indica el ejemplo-lista de arriba, todos los dibujos suyos, los que personalmente vaya realizando y entregando, empezando por el 01.


DOS O MAS INTENTOS DE UN MISMO EJERCICIO

Está perfectamente permitido que un estudiante realice -y entregue en la carpeta semanal- dos o más "intentos" de un mismo dibujo propuesto en la secuencia didáctica expuesta en esta web. Por tanto, en tal hipótesis, el estudiante Martínez llamaría a un dibujo entregable 'Martinez_28.dwg', por ejemplo, y al segundo dibujo (que sería otro intento del mismo ejercicio) le llamaría sin ningun problema 'Martinez_29.dwg' . E incluso podría entregar un tercer dibujo ('Martinez_30.dwg') con el mismo contenido, pero mejorado o perfeccionado, o corregido, etc.


NO TIENE PORQUE HABER CORRELACIÓN ENTRE LOS NÚMEROS DE EJERCICIO DE LA WEB Y LOS NÚMEROS DE ARCHIVOS


Al nomenclar
personal y consecutivamente cada dibujo realizado semanalmente en AutoCAD (en un fichero 'dwg'), el estudiante NO debe copiar el número de epígrafe del ejercicio de la secuencia de esta web. Es decir, el ejercicio del epígrafe 12 de esta web, no ha de exhibir obligatoriamente el número 12 en el fichero 'dwg' del estudiante (el fichero que refleje el ejercicio 12 podría llamarse perfectamente 'Rodriguez_15.dwg', en el supuesto de que éste -el 15- sea el número que corresponda en la secuencia personal de progreso de cada estudiante)


NO PERDER EL ORDEN PERSONAL DE NUMERACIÓN

Siempre al iniciar un dibujo nuevo en AutoCAD, a entregar, el estudiante debe recordar -o chequear en la última carpeta, o en su backup personal - el último número de dibujo realizado por él y ya depositado en 'Atenea' (por ejemplo, imaginemos que era el Rodriguez_19.dwg). Así podrá seguir con la numeración consecutiva expuesta (y entonces sería: Rodriguez_20.dwg, Rodriguez_21.dwg, etc.).

Tal como se indicaba en el apartado anterior, es súmamente conveniente tener un backup personal de todos los dibujos que se vayan haciendo a lo largo del curso.


DUPLICIDADES DE NÚMEROS DE ARCHIVO

Si en carpetas semanales sucesivas de un estudiante se encuentran dos archivos con idéntica numeración, por ejemplo, 'Pujol_29.dwg' en carpeta semana 3, y 'Pujol_29.dwg' en carpeta semana 4, circunstancia que NO debería llegar a producirse, prevalecerá el último archivo, el cual -en la recopilación periódica que va haciendo el profesor- suplantará automáticamente ("machacará") al primero. Es decir, en el ejemplo dado, el archivo de la carpeta 3 al final quedaría descartado.


QUÉ OCURRE SI ACABA LA SEMANA Y TENEMOS UN DIBUJO A MEDIO HACER...

No pasa nada. Hay dos opciones:

1) Podemos esperar a tenerlo completo: no lo entregamos y esperamos a entregarlo entero en el cupo de la carpeta de la semana siguiente.

2) Pero también podemos asignarle el número que le toque (por ejemplo el 21), y entregarlo tal como está, sin acabar; y en la semana siguiente podemos acabarlo y entregarlo de nuevo con el número 22. El profesor se encontrará con dos ficheros consecutivos, y verá que el segundo es el acabamiento del primero.



LOS DIBUJOS QUE HAY QUE GUARDAR (EN LA CARPETA SEMANAL CORRESPONDIENTE)
En principio, todos los ejercicios de esta web que lleven asociado el icono  hay que guardarlos en la carpeta semanal correspondiente.
Si no aparece este icono, pero las instrucciones del ejercicio lo indican así, obviamente también hay que guardarlo.


IMPORTANTE: EN QUÉ FORMATO DE ARCHIVO DEBEN GUARDARSE LOS DIBUJOS

El formato es el de los archivos de AutoCAD (dwg)





5. Repaso de lo anterior + primer ejercicio


I
. El estudiante debe comprobar desde su ordenador de trabajo que -con las coordenadas adecuadas- puede acceder a los "espacios digitales" mencionados en la Introducción; en especial debe comprobar que puede acceder sin problemas a:

0) Internet (no se necesitan coordenadas personales)

1) intranet propia de la FNB: volumen "K"... (accesible desde las instalaciones de la FNB, coordenadas personales)

2) intranet global de la UPC: "Atenea"... (accesible desde cualquier lugar del mundo con acceso a Internet, coordenadas personales )


II. El estudiante debe comprobar que el programa AutoCAD que utilice se abre bien, y que puede dibujar y guardar dibujos.

- Abrir un dibujo nuevo

- Trazar una línea recta con comando LINE

- Guardar el dibujo en el disco duro del PC, poniéndole un nombre correcto según un epígrafe anterior, asignándole esta vez el número 00 (Por ejemplo, "Puigmarti_00.dwg")

- Depositar al final de la clase este archivo 'dwg' en la carpeta de Atenea de la semana (la carpeta de recogida de dibujos)




Observaciones finales:

Todo lo indicado en este apartado ("Primera Parte"), y en los siguientes apartados, se refiere únicamente al 'Módulo B' de la asignatura.

El 'Módulo A' se cursa en el aula convencional, y requiere sólo leer los 'Apuntes' (referenciados más arriba), atender a las clases y entregar las láminas que pide el profesor.


NO está permitido entregar ningún dibujo de AutoCAD por email.

Los dibujos se entregan en la carpeta de Atenea.

Los archivos de dibujo recibidos por correo electrónico seán descartados por los profesores.







SEGUNDA PARTE




Ámbito de este cursillo on-line. Texto introductorio al CAD. Dibujo Técnico



La pantalla y los menús de AutoCAD. Línea de comandos. Paletas de iconos. Múltiples maneras de acceder a los comandos.



Asistencias gráficas básicas de AutoCAD

En el tutorial (http://www.cadtutor.net/tutorials/autocad/drawing-aids.php) se puede repasar cómo funcionan las asistencias gráficas básicas de AutoCAD:

_SNAP (rejilla 'magnética', que sujeta al cursor, F9)
_GRID (rejilla 'cosmética', sólo aparente, F7)
_ORTHO (restricciones ortogonales del cursor, F8)

_ZOOM
_PAN


- La rejilla de apoyo _SNAP se activa/desactiva con la tecla F9 (Observar la activación/desactivación del icono correspondiente en la barra de status)

- La rejilla de _GRID (tecla
F7) sólo es "cosmética": no constriñe ni "imanta" el cursor: puede hacerse coincidir con la rejilla del _SNAP, si se desea.


           

- La herramienta _ORTHO produce una restricción ortogonal en el movimiento del cursor (tecla
F8)

- La herramienta o comando _ZOOM (una opción es girar el rodillo del ratón) permite ampliar o reducir lo que se visualiza en pantalla. En ningún caso Zoom cambia la escala del dibujo. La herramienta ZOOM + - permite alejarse para ver la totalidad del plano de dibujo (con ZOOM extents se ve todo lo dibujado). La herramienta ZOOM window (ambas herramientas, en los iconos de la cornisa superior de iconos) permite focalizar cada figura.

- Con la herramienta 'Pan' (Comando: _PAN) se puede "panelar" el dibujo, es decir, ir arrastrando la superficie del dibujo de un lado a otro, sin necesidad de emplear las barras deslizantes laterales. Una manera rápida de acceder a 'Pan' es mediante el icono de la 'mano', en la cornisa superior de iconos.







1. - Ejercicios con LINE, ORTHO, ERASE

Cada uno de los 3 ejercicios siguientes (a, b y c, cada uno con múltiples figuras) debe guardarse en un archivo diferente

      b       c 



Sobre los ejericicios "a" y "c":

- No es relevante ni la escala ni las proporciones de las figuras

- Se trata de dibujar unos gráficos que "se parezcan" a los ejemplos de línea roja


Sobre el ejercicio "b":

- Siempre que se desee volver al dibujo original, aplicar el comando "Deshacer" (Comando:_UNDO)

- Ver tutorial sobre ERASE en: http://www.cadtutor.net/tutorials/autocad/modifying-objects.php#Erase


(En total: tres archivos DWG...)



Observaciones

EL RECURSO DE VOLVER A EMPEZAR / LA LÍNEA DE COMANDOS Y LA TECLA 'ESCAPE'

La 'línea de comandos' refleja exactamente lo que está procesando AutoCAD en cada momento, y además es el lugar donde pueden introducirse datos numéricos y comandos escritos. Hay que tener siempre un ojo puesto en ella. Para salir de una operación de dibujo dudosa, o para reiniciarla, el estudiante sólo debe apretar la tecla 'Escape' y comprobar que deja la línea "Comando:" vacía, es decir, seguida de un espacio blanco.


CUANDO LA LINEA DE COMANDOS (STATUS LINE) NO PARECE ACTIVA... TECLA F12


La tecla F12 (ayuda dinámica) procede a desactivar la interface de la línea de comandos inferior (estándar), y obliga al operador a introducir sus inputs sobre la misma pantalla de trabajo.

Es recomendable comprobar en qué modo está la tecla F12 (se trata de un switch), para que la línea de comandos inferior recupere su función habitual, que es la de los tutoriales de esta guía: en ellos se supone por defecto que dicha ayuda dinámica F12 está desactivada.

Todas las explicaciones de este curso relativas de AutoCAD se hacen en el modo "scriptable" de AutoCAD, empleando la línea de comandos al pie de la pantalla de edición (que muestra en todo momento "lo que está ocurriendo"), y utilizando el paradigma "Verbo + Sujeto" (y no el paradigma "Sujeto + Verbo")


SI DESAPARECE LA LINEA DE COMANDOS (STATUS LINE) INFERIOR...

Se recupera tecleando simultáneamente "Ctrl" + "9" (en sistemas Windows)


SNAP Y GRID A PARTIR DE AHORA DESACTIVADAS

A partir del ejercicio siguiente (y hasta el final del curso) se desaconseja utilizar las ayudas _SNAP y _GRID, por lo que es mejor dejarlas desactivadas (no son necesarias; han servido para introducirse en los dibujos iniciales...)



Conveniencia del aprendizaje de los comandos de AutoCAD en inglés

En el ejercicio anterior, y en los sucesivos, suele aludirse a los comandos de dibujo de AutoCAD en inglés. Es altamente recomendable aprenderse los comandos de AutoCAD en inglés. En la línea de comandos (parte inferior de la pantalla de edición de AutoCAD) sólo hay que preceder cada nombre de comando en inglés con un 'underscore' o guión bajo... (Por ejemplo, Comando: _Line, en vez de Comando: Linea; o por ejemplo, Comando:_Copy, en vez de Comando: Copiar, etc ... )

El núcleo interno de todos las versiones de AutoCAD distribuidas en el mundo (en francés, en castellano, en alemán, en italiano, etc.) contiene los comandos en inglés, que se ejecutan en la 'línea de comandos', por lo que en cualquier versión de AutoCAD (sin importar el idioma al que haya sido traducido) el operador puede apelar a los comandos internos en inglés, simplemente precediendo la orden (en inglés) con un underscore o barra baja.

Por ejemplo, si el estudiante realiza un Erasmus en Holanda en el futuro, y resulta que debe trabajar con AutoCAD en Amsterdam, es muy probable que el programa esté en holandés; pero la línea de comandos tendrá el mismo aspecto en todos los países, y el operador siempre podrá apelar a los comandos en ingles precediéndolos de un simple underscore (o barra baja).


Los "comandos" de AutoCAD también son llamados "órdenes" en otros contextos (manuales, tutoriales, etc.)



2. Dibujo básico por coordenadas  




3. Dibujar la siguiente figura.


       
      
       
Cómo empezar el dibujo:

              LINE Specify first point:
1,1
              LINE Specify next point:
4.1,1
              LINE Specify next point:
4.5,2.2
              LINE Specify next point:
@2.3,0

              Etc.


              (al final el trazo se tiene que "cerrar" en el punto de inicio)
       
Guardar dibujo con la numeración correspondiente






4. Dibujo con subcomandos de precisión (Comando: OSNAP, o de 'Referencia a objetos')



ADVERTENCIA INICIAL
Las ayudas del comando _OSNAP (subcomandos de precisión) no tienen nada que ver con el comando SNAP (rejilla magnética) que se ha visto en un ejercicio anterior.

El estudiante debe recordar desactivar las ayudas del _SNAP y del _GRID (no se necesitarán en el resto del curso)

Todos los programas de CAD disponen de este tipo de ayudas (OSNAP), por la que la precisión que se consigue en el dibujo es absoluta.


Descargar ejercicio

Descripción del ejercicio (escribiendo el comando y los subcomandos -en rojo- en la línea de comandos, y en inglés):

Comando: _LINE (Return)
(a continuación, los subcomandos de precisión OSNAP)
From point: _endpoint of (seleccionar punto de la recta, cercano a A) + Return
To point: _tangent to (seleccionar punto del arco, cercano a B) + Return
To point: _perpend to (seleccionar punto de la recta, cercano a C) + Return
To point: _center of (seleccionar cualquier punto de la circunferencia, por ejemplo D) + Return
To point: _quadrant of (seleccionar punto de la circunferencia, cercano a E) + Return
To point: _perpend to (seleccionar punto de la recta, cercano a F) + Return
To point: (Return)
Command:



Para ver y usar los comandos de precisión de AutoCAD hay varios métodos. Observaciones sobre los 'osnaps' (= subcomandos de precisión)

I) Se pueden teclear o escribir los 'osnaps' (ver párrafo anterior) en la línea de comandos, subsumiéndolos en cada comando (como LINE, o CIRCLE, etc.)

II
) Se puede llamar al comando genérico OSNAP desde la línea de comando (Comando: _OSNAP) para que aparezca la ventana global de configuración OSNAP, y dejar seleccionadas permanentemente, por defecto, aquellas ayudas OSNAP que creamos necesarias para la consecución del dibujo.
No es recomendable dejar muchas ayudas de precisión preestablecidas (activadas), porque entonces el cursor o puntero, al "magnetizarse" y acercarse a una entidad de dibujo, no entiende dónde debe ir exactamente, y se "vuelve loco", enganchándose a todo, y despistando al dibujante... Es habitual dejar por defecto el 'punto final' y la 'intersección', aunque esto va a gusto de cada dibujante.

III) ¿Cómo mostrar la paleta de ayudas OSNAP en pantalla, y dejarla permanentemente en el escritorio?: ver "Truco de las rayitas..." más abajo

IV) Ojo: la tecla F3 es un switch, de manera que conecta o desconecta automáticamente todos los 'osnaps'


No confundir la paleta OSNAP con la paleta de herramientas de dibujo



Paleta de herramientas de dibujo (¡no es la paleta de OSNAPs!):



Paleta de OSNAP's





EL TRUCO DE LAS RAYITAS EN EL EXTREMO DE LAS PALETAS (QUE SIRVE PARA TODAS LAS PALETAS)

Si la paleta de OSNAP's -u otra que se desea tener visible en AutoCAD- no está mostrada en pantalla, pulsar con el botón derecho sobre las rayitas que hay en cualquier paleta que ya veamos en el escritorio AutoCAD (es decir, en la parte extrema de la paleta). Aparece un menú. Seleccionar entonces "Object Snap ": surge una paleta de ayudas OSNAP 'estable' en el escritorio AutoCAD, que nos permitirá coger "al vuelo" la ayuda necesitada en cada momento...






Una imagen del ejercicio acabado...

Una vez finalizado el dibujo, examinar con el 'Zoom' la precisión de las líneas próximas a los puntos A, B, C, E y F.


Guardar el dibujo acabado con el nombre correspondiente...




Resumen subcomandos de precisión (llamándolos en inglés desde la línea de comandos; es decir, utilizando el Método I):

- center: selecciona centros de círculos y arcos
- endpoint: selecciona puntos extremos de líneas, arcos y polilíneas
- intersection: selecciona el punto resultante de la intersección de dos entidades de dibujo (dos líneas, línea y arco, línea y círculo, arco y círculo, dos arcos, dos círculos...)
- midpoint: selecciona el punto medio de una línea o de un arco
- nearest: selecciona un punto concreto de la entidad cerca de la cual se haga un clic
- perpend.: selecciona un punto sobre una línea, sobre un arco, o sobre un círculo, de modo que la recta que se traza llegue perpendicularmente a ese punto
- quadrant: selecciona puntos sobre una circunferencia situados exactamente a las 3, a las 6, a las 9, o a las 12.
- tangent: selecciona un punto de una circunferencia o un arco, de modo que la recta sea tangente a ese punto


Los subcomandos de precisión pueden utilizarse "dentro" de cualquier otro comando regular de AutoCAD, para seleccionar lugares geométricos del dibujo con precisión total.




OBSERVACIÓN:
A partir de ahora, todos los dibujos han de ser realizados con las ayudas automáticas de 'Osnap'
(con la personalización y combinación de uso que decida el estudiante)






5.
Cuatro ejercicios con COPY, MOVE, ROTATE (primero, hay que descargarlos... download)


_COPY Ejemplo-C.dwg

_MOVEEjemplo-C.dwg

_ COPY y_ROTATE Ejemplo-D.dwg

_COPY y _SCALEEjemplo-E.dwg



        
 Explicación detallada de los ejercicios (C, C, D, E)





6. Comando MIRROR - Ejercicio


- El comando de AutoCAD para hacer simetrías bilaterales es MIRROR.

- Dibujar las simetrías propuestas aquí en este dibujo (download)
- Guardar el dibujo acabado con el nombre y número correspondiente






Secuencia de dibujo (siguiendo siempre las indicaciones de la "status line", en la base de la pantalla)

A) Primero seleccionar los elementos del dibujo que se quieren simetrizar (Return)

B) Después se selecciona el primer punto del eje de simetría (Clic en la pantalla, P1)

C) Despues se selecciona el segundo punto del eje de simetría (Clic en la pantalla, P2)

D) Finalmente, se decide si el elemento original se borra una vez simetrizado, o no se borra (Return)



Ver tutorial sobre MIRROR en:

http://www.cadtutor.net/tutorials/autocad/modifying-objects.php#Mirror




¿Qué es la simetría? (ver "simetría bilateral")







7. Ejercicio con LINE + MIRROR





- No hace falta poner las cotas

- Guardar el dibujo con el nombre y número correspondiente.






8. Dibujo con el comando TRIM

El comando TRIM funciona seleccionando primero la frontera del corte, y después clicando aquello que se quiere cortar (lo que sobra)...

Descargar dibujo


            


El ejercicio tiene dos partes: parte superior y parte inferior.

Descripción del ejercicio de la parte superior:

Comando: _TRIM (Return)
Select cutting edge(s)...
Select objects: clic en recta r1
Select objects: (Return)
<Select objects to trim>/Undo: clic en extremo sobresaliente de recta r2
<Select objects to trim>/Undo: clic en extremo sobresaliente de recta r3
<Select objects to trim>/Undo: (Return)
Command:
(el resultado debe ser similar a la figura de la derecha)


Descripción del ejercicio de la parte inferior:

Comando:_TRIM (Return)
Conseguir la figura inferior (una biela) partiendo de la inmediatamente superior...

Guardar un sólo dibujo (las 2 partes) con el nombre correspondiente





9. Comando EXTEND.


En un nuevo dibujo, trazar líneas al azar y practicar el comando EXTEND, que es el que ejecuta la acción opuesta a TRIM

Ver tutorial sobre 'Extend' en http://www.cadtutor.net/tutorials/autocad/modifying-objects.php#Extend

Con EXTEND, primero se selecciona la frontera hacia la que se extenderán los elementos de dibujo. Después, se clican los elementos de dibujo que se extenderán...


Dibujar el siguiente ejemplo (sólo los contenidos del recuadro) en un único dibujo:

1) varios segmentos rectos al azar, más un arco (con ARC), etc., a los que se aplicará EXTEND

2) una figura simple (en la parte inferior, izquierda), que se completará con EXTEND



Guardar los dibujos (1, 2) con el nombre y número correspondiente









Otro ejemplo de EXTEND (no hay que dibujarlo):







Otro ejemplo de EXTEND (no hay que dibujarlo):









10. Comando TRIM, repaso


Descargar dibujo

Con TRIM, hay que conseguir los gráficos situados a la derecha de la imagen


     

Guardar con el nombre y número correspondiente






11. Comando TRIM, repaso


Practicar TRIM, etc., con la siguiente figura, en un dibujo nuevo


Recordar "coordenadas polares" vistas en ejercicio anterior 2-C



    


- Guardar un único archivo de dibujo con el nombre y número correspondiente



- - - - - - - - - - - - - - - - - - - - - - - - - - - - - - - - - - - - - - - - - - - - - - - - - -


Ejercicios opcionales con TRIM y EXTEND en esta web de Autodesk aquí

(No hay que entregarlos)







12. Ejercicio con
CIRCULOS y tangencias


CIRCLE, en la opción tangente, tangente, radio (TTR) y otras opciones (2P, dos puntos, etc.)


En un nuevo dibujo de AutoCAD en blanco, dibujar la figura siguiente:




Las medidas que no salen en la figura pueden inventarse

Guardar este ejercicio con el nombre y la numeración correspondiente





13.
Ejercicio con tangencias entre círculos (CIRCLE, opción TTR = tangente, tangente, radio) y TRIM


Dibujo de mango o empuñadura

-> Descargar dibujo semiempezado aquí


Observaciones sobre el ejercicio:

- A la izquierda de la linea roja se ve el desarrollo del ejercicio (pasos 1, 2, 3, 4 y 5): no hay que dibujar nada en esta parte...

- Atención: ¡Sólo se ha de dibujar a la derecha de la línea roja!

- Partiendo de los dos círculos grandes, hay que conseguir el dibujo de un mango o empuñadura, tal como muestra la figura (examinarla bien con Zoom).








FINAL (en la zona de la derecha):





- Guardar dibujo con el nombre y número correspondiente








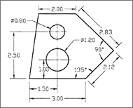
14. Ejercicios de piezas (I)

Los siguientes ejercicios plantean problemas de dibujo con comandos vistos anteriormente.

Cada pieza va en un archivo separado y se ha de guardar

ejercicios aquí